Chủ nhật, 31/12/2023, 12:57 (GMT+7)
Hộp số có vai trò quan trọng trong quá trình ô tô hoạt động, nó giúp biến đổi mômen quay của động cơ để tăng, giảm lực kéo ở bánh xe chủ động, thay đổi chiều chuyển động của ô tô. Trong bài viết này tác giả sẽ giới thiệu cấu tạo và nguyên lý làm việc của hộp số 5 cấp truyền.
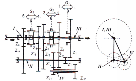
1. Cấu tạo
Hộp số 5 cấp truyền được thể hiện trên hình 8.2a và vị trí gài số trên hình 1, gồm:
- Trục sơ cấp I, có bánh răng chủ động chế tạo liền Za
- Trục trung gian II đặt trên 2 ổ lăn, có 5 bánh răng Z’a, Z’4, Z’3, Z’L, Z’2 lắp trên trục bằng then bán nguyệt và bánh răng Z’1 chế tạo liền trục.
- Trục thứ cấp III gối đỡ trên 2 ổ lăn, trên trục có các bánh răng quay trơn Z4, Z3, Z2, bánh răng di trượt Z1, bộ đồng tốc G2, G3
- Trục số lùi IV có cặp bánh răng quay trơn chế tạo liền khối ZL1, ZL2

Hình 1. Sơ đồ cấu tạo hộp số 5 cấp tốc độ
2. Nguyên lý hoạt động

Hình 2. Sơ đồ nguyên lý của hộp số 5 cấp tốc độ
* Số 0: Bánh răng số Zz và các bộ đồng tốc G1, G2 được giữ ở vị trí trung gian. Mômen xoắn truyền từ trục sơ cấp -> bánh răng Za -> bánh răng Za’ -> trục trung gian và các bánh răng quay trơn.
* Số 1: Gạt bánh răng Z1 sang trái ăn khớp với bánh răng Z1: Mụmen xoắn truyền từ trục sơ cấp -> bánh răng Za -> bánh răng Z 'a -> trục trung gian II -> bánh răng Z’1-> bánh răng Z1-> trục thứ cấp III.
* Số 2: Gạt bánh răng Z1 về vị trí trung gian, gạt bộ đồng tốc G2 sang phải: Mômen xoắn truyền từ trục sơ cấp -> bánh răng Za -> bỏnh răng Z 'a -> trục trung gian II -> bánh răng Z’2-> bánh răng Z2-> bộ đồng tốc G2 -> trục thứ cấp III.
* Số 3: Gạt bộ đồng tốc G2 về trung gian, gạt tiếp sang trái: Mômen xoắn truyền từ trục sơ cấp -> bánh răng Za -> bánh răng Z 'a -> trục trung gian II -> bánh răng Z’3-> bánh răng Z3-> bộ đồng tốc G2 -> trục thứ cấp III.
* Số 4: Gạt bộ đồng tốc G2 về trung gian, gạt bộ đồng tốc G3 sang phải: Mômen xoắn truyền từ trục sơ cấp -> bánh răng Za -> bánh răng Z 'a -> trục trung gian II -> bánh răng Z’4-> bánh răng Z4-> bộ đồng tốc G3 -> trục thứ cấp III.
* Số 5. Gạt bộ đồng tốc G3 về trung gian, gạt tiếp sang trái: Mômen xoắn truyền từ trục sơ cấp -> bánh răng Za -> bộ đồng tốc G3 -> trục thứ cấp III.
* Số lùi: Các bộ đồng tốc G2, G3 ở vị trí trung gian. Thực hiện đưa bánh răng số Z1 ăn khớp với bánh răng ZL2: Mômen xoắn truyền từ trục sơ cấp -> bánh răng Za -> bánh răng Z 'a -> trục trung gian II -> bánh răng Z’L1-> bánh răng ZL1 -> bánh răng ZL2 -> bánh răng Z1 -> trục thứ cấp III quay ngược chiều.