Thứ ba, 07/10/2025, 21:57 (GMT+7)
Trong hệ thống điện của ô tô, máy phát điện đóng vai trò là nguồn cung cấp năng lượng điện chủ yếu cho các thiết bị và sạc lại ắc quy trong quá trình động cơ hoạt động. Tuy nhiên, điện áp đầu ra của máy phát không ổn định do chịu ảnh hưởng bởi tốc độ quay của động cơ và tải tiêu thụ. Nếu điện áp quá thấp, ắc quy sẽ không được nạp đầy, còn nếu quá cao, các thiết bị điện có thể bị hư hỏng. Vì vậy, việc điều chỉnh điện áp đầu ra máy phát là yêu cầu bắt buộc để đảm bảo hiệu suất và độ tin cậy của toàn bộ hệ thống điện trên ô tô.
Cùng với sự phát triển của công nghệ điện tử, các bộ điều chỉnh điện áp kiểu cơ khí dần được thay thế bằng bộ điều áp tích hợp IC (Integrated Circuit Voltage Regulator). Loại điều áp này có khả năng phản ứng nhanh, điều khiển chính xác và tự động duy trì điện áp đầu ra ổn định, đồng thời có chức năng bảo vệ mạch trong các trường hợp sự cố. Đây là giải pháp hiện đại và hiệu quả, được ứng dụng rộng rãi trong các dòng xe ô tô hiện nay.
I. Đặt vấn đề
Vấn đề đặt ra là làm thế nào để kiểm soát được điện áp đầu ra của máy phát một cách ổn định, chính xác và an toàn trong các điều kiện làm việc khác nhau của động cơ. Cụ thể:
Việc tìm hiểu nguyên lý hoạt động của bộ điều áp IC trong từng chế độ—từ khi chưa nổ máy, đang phát điện, đến khi có sự cố—giúp người học hiểu sâu về cơ chế điều khiển điện áp, khả năng tự bảo vệ của mạch và ứng dụng thực tế trong sửa chữa, chẩn đoán hệ thống điện ô tô.
II. Điều khiển đầu ra máy phát bằng IC điều áp loại nhận biết ắc quy
1. Chế độ hoạt động bình thường:
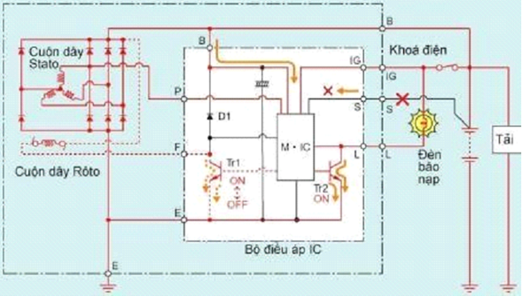
a. Khi bật khóa điện ở vị trí ON và động cơ chưa nổ máy.
Khi bật khoá điện lên vị trí ON, điện áp ắc qui được đặt vào cực IG. Kết quả là mạch M.IC được kích hoạt và Tranzisto Tr1 được mở ra làm cho dòng kích từ chạy trong cuộn dây rôto. Ở trạng thái này dòng điện chưa được tạo ra do vậy bộ điều áp làm giảm sự phóng điện của ắc qui đến mức thấp nhất có thể bằng cách đóng ngắt Tranzisto Tr1 ngắt quãng. Ở thời điểm này điện áp ở cực P = 0 và mạch M.IC sẽ xác định trạng thái này và truyền tín hiệu tới Tranzisto Tr2 để bật đèn báo nạp.
.jpg)
Hình 1. Sơ đồ nguyên lý làm việc của bộ điều chỉnh khi chưa nổ máy
b. Khi máy phát đang phát điện (điện áp thấp hơn điện áp điều chỉnh)
Động cơ khởi động và tốc độ máy phát tăng lên, mạch M.IC mở Tranzisto Tr1 để cho dòng kích từ đi qua và do đó điện áp ngay lập tức được tạo ra. Ở thời điểm này nếu điện áp ở cực B lớn hơn điện áp ắc qui, thì dòng điện sẽ đi vào ắc qui để nạp và cung cấp cho các thiết bị điện. Kết quả là điện áp ở cực P tăng lên. Do đó mạch M.IC xác định trạng thái phát điện đã được thực hiện và truyền tín hiệu đóng Tranzisto Tr2 để tắt đèn báo nạp.
.jpg)
Hình 2. Sơ đồ nguyên lý làm việc của bộ điều áp khi máy phát đang phát điện (điện áp thấp hơn điện áp điều chỉnh).
c. Khi máy phát đang phát điện (điện áp cao hơn điện áp điều chỉnh)
Nếu Tranzisto Tr1 tiếp tục mở, điện áp ở cực B tăng lên. Sau đó điện áp ở cực S vượt quá điện áp điều chỉnh, mạch M.IC xác định tình trạng này và đóng Tranzisto Tr1.
Kết quả là dòng kích từ ở cuộn dây rôto giảm dần thông qua điốt Đ1 hấp thụ điện từ ngược và điện áp ở cực B (điện áp được tạo ra) giảm xuống. Sau đó nếu điện áp ở cực S giảm xuống tới giá trị điều chỉnh thì mạch M.IC sẽ xác định tình trạng này và mở
Tranzisto Tr1. Do đó dòng kích từ của cuộn dây rôto tăng lên và điện áp ở cực B cũng tăng lên. Bộ điều áp IC giữ cho điện áp ở cực S (điện áp ở cực ắc qui) ổn định (điện áp điều chỉnh) bằng cách lặp đi lặp lại các quá trình trên.
.jpg)
Hình 3. Sơ đồ nguyên lý làm việc của bộ điều áp khi máy phát đang phát điện (điện áp cao hơn điện áp điều chỉnh)
2. Chế độ hoạt động khi có sự cố:
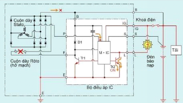
a. Khi cuộn dây Rôto bị đứt
Khi máy phát quay, nếu cuộn dây Rôto bị đứt thì máy phát không sản xuất ra điện và điện áp ở cực P = 0. Khi mạch M.IC xác định được tình trạng này nó mở Tranzisto
Tr2 để bật đèn báo nạp để cảnh báo.
.png)
Hình 4. Hoạt động IC khi cuộn dây rô to bị đứt
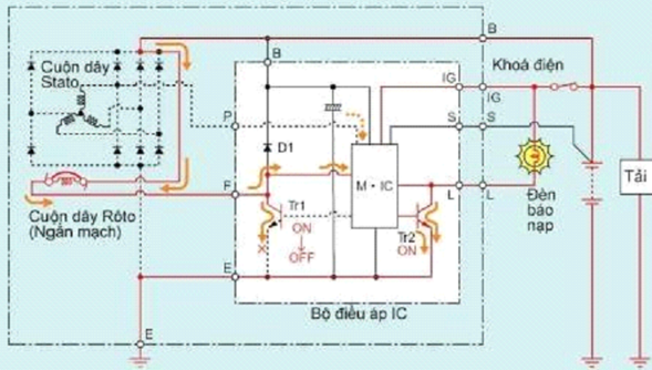
b. Khi cuộn dây Rôto bị chập (ngắn mạch)
Khi máy phát quay nếu cuộn dây rôto bị chập điện áp ở cực B được đặt trực tiếp vào cực F và dòng điện trong mạch sẽ rất lớn. Khi mạch M.IC xác định được tình trạng này nó sẽ đóng Tranzisto Tr1 để bảo vệ và đồng thời mở Tranzisto Tr2 bật đèn báo nạp để cảnh báo.
.png)
Hình 5. Hoạt động IC khi cuộn dây rô to bị chập
c. Khi cực S bị ngắt
Khi máy phát quay, nếu cực S ở tình trạng bị hở mạch thì mạch M.IC sẽ xác định khi không có tín hiệu đầu vào từ cực S do đó mở Tranzisto Tr2 để bật đèn báo nạp. Đồng thời trong mạch M.IC, cực B sẽ làm việc thay thế cho cực S để điều chỉnh Tranzisto Tr1 do đó điện áp ở cực B được điều chỉnh ( 14V) để ngăn chặn sự tăng điện áp không bình thường ở cực B.
.png)
Hình 6. Hoạt động IC khi cực S bị ngắt
d. Khi cực B bị ngắt
Khi máy phát quay, nếu cực B ở tình trạng bị hở mạch, thì ắc qui sẽ không được nạp và điện áp ắc qui (điện áp ở cực S) sẽ giảm dần. Khi điện áp ở cực S giảm, bộ điều áp
IC làm tăng dòng kích từ để tăng dòng điện tạo ra. Kết quả là điện áp ở cực B tăng lên. Tuy nhiên mạch M.IC điều chỉnh dòng kích từ sao cho điện áp ở cực B không vượt quá 20 V để bảo vệ máy phát và bộ điều áp IC. Khi điện áp ở cực S thấp (11 tới 13 V) mạch M.IC sẽ điều chỉnh để ắc qui không được nạp. Sau đó nó mở tranzito Tr2 bật đèn báo nạp và điều chỉnh dòng kích từ để sao cho điện áp ở cực B giảm, đồng thời bảo vệ máy phát và bộ điều áp IC.
.png)
Hình 7. Hoạt động IC khi cực B bị ngắt
e. Khi có sự ngắn mạch giữa cực F và cực E
Khi máy phát quay, nếu có sự ngắn mạch giữa cực F và cực E thì điện áp ở cực B sẽ được nối thông với mát từ cực E qua cuộn dây rôto mà không qua cực Tranzisto Tr1. Kết quả là điện áp ra của máy phát trở lên rất lớn vì dòng kích từ không được điều khiển bởi Tranzisto Tr1 thậm trí điện áp ở cực S sẽ vượt điện áp điều chỉnh. Nếu mạch M.IC xác định được tình trạng này nó sẽ mở Tranzisto Tr2 bật đèn báo nạp để cảnh báo.
.jpg)
Hình 8. Sơ đồ nguyên lý làm việc của bộ điều áp khi trong mạch nạp có sự cố
III. Điều khiển đầu ra máy phát bằng IC điều áp loại nhận biết máy phát
1. Hoạt động
Bộ điều loại này hoạt động tương tự như loại nhận biết ắc quy. Tuy nhiên, nó không có cực S để nhận biết điện áp ắc quy nên mạch M.IC sẽ nhận biết điện áp trực tiếp từ máy phát thông qua cực B để từ đó điều chỉnh điện áp ra của máy phát và điều khiển đèn báo nạp.
.jpg)
Hình 9. Sơ đồ nguyên lý làm việc của bộ điều áp loại nhận biết máy phát
2. Bộ điều áp có cực M
Đối với xe có bộ phận sưởi điện PTC - bộ phận sưởi này đặt trong lõi sưởi được dùng để hâm nóng nước làm mát động cơ khi hiệu suất sưởi không đủ. Khi bộ phận sưởi PTC được sử dụng ở trạng thái không tải của động cơ thì điện năng tiêu thụ sẽ lớn hơn điện năng do máy phát tạo ra. Vì lý do trên bộ điều áp được trang bị thêm cực M. Cực M truyền tình trạng phát điện của máy phát tới ECU động cơ thông qua Tranzisto Tr3 được lắp đồng bộ với Tranzisto Tr1 để điều khiển dòng kích từ. ECU động cơ điều khiển chế độ không tải của động cơ và bộ phận sưởi điện PTC theo tín hiệu được truyền từ cực M.
.jpg)
Hình 10. Sơ đồ nguyên lý làm việc của bộ điều áp IC có cực M khi bộ sưởi PTC làm việc.
.jpg)
Hình 11. Sơ đồ nguyên lý làm việc của bộ điều áp IC có cực M khi bộ sưởi PTC không làm việc
Qua việc nghiên cứu nguyên lý điều khiển điện áp đầu ra máy phát bằng IC điều áp, có thể thấy rằng bộ điều áp IC đóng vai trò trung tâm trong việc duy trì sự ổn định điện áp của hệ thống điện ô tô. IC điều áp không chỉ giúp ổn định điện áp nạp cho ắc quy, mà còn bảo vệ máy phát và các thiết bị điện khỏi hư hại do quá áp hoặc sự cố mạch điện.
Hiểu rõ cơ chế hoạt động của từng linh kiện như tranzistor Tr1, Tr2, Tr3, điốt Đ1, các cực B, S, IG, F, E, M... giúp sinh viên, kỹ thuật viên và người làm công tác bảo dưỡng ô tô có thể phân tích, chẩn đoán và sửa chữa chính xác các hư hỏng liên quan đến hệ thống nạp điện. Đây là nền tảng quan trọng để nâng cao chất lượng đào tạo và thực hành trong lĩnh vực kỹ thuật điện – điện tử ô tô hiện đại.