Thứ ba, 01/07/2025, 20:11 (GMT+7)
LPG (Liquefied Petroleum Gas – khí dầu mỏ hóa lỏng) là hỗn hợp chủ yếu gồm propane (C₃H₈) và butane (C₄H₁₀), được nén ở áp suất thấp để chuyển sang thể lỏng, dễ dàng lưu trữ và vận chuyển. Với tính chất cháy sạch, hiệu suất cao và ít phát thải khí độc hại, LPG đang được sử dụng ngày càng phổ biến trong các loại động cơ đốt trong, đặc biệt là trong lĩnh vực giao thông vận tải đô thị và xe taxi.

Hình 1. Xe chạy bằng nhiên liệu LPG
1. Cấu tạo hệ thống nhiên liệu LPG trên ô tô
Hệ thống nhiên liệu dùng LPG bao gồm các bộ phận chính:

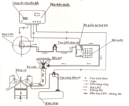
Hình 2. Sơ đồ hệ thống cung cấp nhiên liệu song song xăng – LPG trên ô tô
2. Nguyên lý hoạt động của động cơ LPG
Động cơ sử dụng LPG hoạt động tương tự như động cơ xăng 4 kỳ, gồm:
* Hút: LPG ở thể khí được đưa vào buồng đốt qua hệ thống trộn khí hoặc kim phun LPG.
* Nén: Hỗn hợp khí LPG và không khí được piston nén lại trong xi lanh.
* Cháy – nổ: Bugi đánh lửa, đốt cháy hỗn hợp, sinh công đẩy piston.
* Thải: Khí thải được xả ra ngoài qua xupap xả.
Trong một số hệ thống, động cơ có thể sử dụng song song LPG và xăng (bi-fuel), cho phép chuyển đổi linh hoạt giữa hai loại nhiên liệu.
3. Ưu điểm của động cơ LPG
* Thân thiện môi trường: LPG cháy sạch, phát thải CO₂, NOₓ và bụi mịn thấp hơn nhiều so với xăng và dầu.
* Tiết kiệm chi phí vận hành: Giá thành LPG thường rẻ hơn xăng, hiệu quả kinh tế cao đối với xe chạy nhiều (taxi, xe tải nhỏ).
* Ít hao mòn động cơ: Quá trình cháy của LPG sạch hơn, ít tạo muội than, giúp kéo dài tuổi thọ động cơ và hệ thống xả.
* Khả năng chuyển đổi linh hoạt: Xe có thể được cải tạo từ xe chạy xăng sang LPG hoặc sử dụng song song.
4. Nhược điểm
Bên cạnh ưu điểm, nó cũng tồn tại những nhược điểm như Chi phí lắp đặt ban đầu cao. Giảm công suất nhẹ (LPG có chỉ số octan cao nhưng mật độ năng lượng thấp hơn xăng, nên công suất có thể giảm khoảng 5–10%). Yêu cầu an toàn cao (LPG là khí dễ cháy, cần đảm bảo hệ thống kín, an toàn áp suất, tránh rò rỉ)
5. Ứng dụng thực tiễn
Động cơ LPG hiện được sử dụng phổ biến tại nhiều quốc gia như Hàn Quốc, Nhật Bản, Thổ Nhĩ Kỳ, Ấn Độ,... chủ yếu trên các phương tiện như:
- Xe taxi và xe buýt nội đô
- Xe tải nhẹ giao hàng trong thành phố
- Xe chuyên dụng trong môi trường kín (như xe nâng trong nhà kho)
Việc sử dụng LPG làm nhiên liệu cho động cơ đốt trong là một giải pháp thân thiện với môi trường và hiệu quả về chi phí. Tuy nhiên, cần được triển khai kèm theo các tiêu chuẩn an toàn nghiêm ngặt và hệ thống hỗ trợ kỹ thuật đầy đủ để đảm bảo hiệu quả và độ tin cậy khi vận hành.